单相CHB光伏并网逆变系统谐波补偿策略研究*
Research on Harmonic Compensation Strategy of Single-phase CHB Photovoltaic Grid-connected Inverter System
通讯作者: 由蕤,男,1984年生,博士,副教授。主要研究方向为分布式发电与微电网。E-mail:yourui1984@163.com
收稿日期: 2021-12-21 修回日期: 2022-10-12
| 基金资助: |
|
Received: 2021-12-21 Revised: 2022-10-12
作者简介 About authors
周杰,男,1996年生,硕士研究生。主要研究方向为级联H桥逆变器控制。E-mail:
黎明,男,1975年生,博士,教授。主要研究方向为智能信号处理与智能控制、海洋能发电系统。E-mail:
李立伟,男,1970年生,博士,教授。主要研究方向为电力系统故障诊断、高速列车运行监测及控制。E-mail:
于文山,男,1996年生,硕士研究生。主要研究方向为微电网运行优化。E-mail:
李学庆,男,1997年生,硕士研究生。主要研究方向为级联H桥光伏并网逆变器。E-mail:
受部分遮挡、自身损坏等因素的影响,单相级联H桥光伏并网逆变系统的H桥模块间传输功率不平衡,导致传输功率高的H桥模块易发生过调制,造成并网电流的恶化,甚至影响系统的稳定运行。为此,提出一种优化的三次谐波补偿策略,通过对过调制模块补偿三次谐波的准确计算,使其调制波幅值为1。同时,结合反相三次谐波在正常模块间的优化分配,最大限度地避免各H桥模块过调制的发生。在Matlab/Simulink中搭建仿真模型,将采用所提控制策略与常规三次谐波补偿策略、混合调制策略的仿真结果进行对比,对所提控制策略的优良性能进行验证。
关键词:
Affected by partial shading, self damage and other factors, the transmission power between H-bridge modules of single-phase cascaded H-bridge photovoltaic grid-connected inverter system is unbalanced. As a result, the H-bridge module with high transmission power is prone to overmodulation, which leads to the deterioration of grid current and even affects the stable operation of the system. Therefore, an optimized third harmonic compensation strategy is proposed, through the accurate calculation of the third harmonic compensated by the overmodulation module, the amplitude of their modulation wave is 1. At the same time, combined with the optimal distribution of inverse third harmonic among the normal modules, the overmodulation of each H-bridge module is avoided to the maximum extent. The simulation model is built in Matlab/Simulink, and the simulation results of the proposed control strategy are compared with the conventional third harmonic compensation strategy and hybrid modulation strategy, and the excellent performance of the proposed control strategy is verified.
Keywords:
本文引用格式
周杰, 黎明, 李立伟, 于文山, 李学庆, 由蕤.
ZHOU Jie, LI Ming, LI Liwei, YU Wenshan, LI Xueqing, YOU Rui.
1 引言
随着能源短缺和环境问题的日益严重,全球对可再生能源尤其是太阳能的需求急剧增加[1⇓-3]。大型光伏并网系统通常采用功率逆变器将太阳能转换为电能,在不同类型的功率逆变器拓扑中,级联H桥(Cascaded H-bridge, CHB)逆变器由于具有模块化、布局简单、可靠性高和合成相同电压电平数所需器件数最少等优点而受到广泛关注[4-5]。此外,通过将各光伏组串直接连接于各直流母线,既满足了CHB拓扑需要大量独立直流电源的要求,又可以通过分别控制直流母线电压来实现各光伏组串的最大功率点跟踪(Maximum power point track, MPPT),从而实现最大限度捕获太阳能之目标[6⇓-8]。因此,CHB逆变器被认为是大型光伏并网电站的理想选择[9⇓-11]。
正常情况下,CHB逆变器中每个H桥模块的传输功率基本相同,但当光伏组串受到部分遮挡或自身损坏、老化等因素的影响时,其输出功率降低,导致H桥模块间的传输功率存在一定差异,此时,具有较高传输功率的H桥模块易造成过调制现象的出现[12]。为解决上述问题,可利用移相脉冲宽度调制(Phase-shifted pulse width modulation, PS-PWM)策略,通过调节各H桥模块参考电压来改变各模块的传输功率,从而达到稳定直流母线电压的目的,但该策略调节范围较小,无法解决功率严重失配的问题[13]。因此,为了扩大CHB逆变器的稳定工作区域,文献[14-15]采用了一种无功功率补偿策略,通过向电网注入无功功率来维持系统稳定,但是无功功率的注入会降低系统的功率因数。文献[16]通过改变具有较高输出功率光伏组串的工作点来提高系统的稳定性裕度,但由于部分光伏组串没有运行于最大功率点,因此,浪费了一部分可捕获的太阳能。文献[17-18]针对存在一个或多个虚设单元的CHB系统,提出了一种高频PWM和低频方波调制相结合的混合调制策略(Hybrid modulation strategy, HMS),在保证输出电流质量的前提下,实现了系统稳定区域的扩展,但该策略不能精确控制直流母线电压,导致直流母线电压的波动较大,从而减少了光伏组串的发电量。文献[19]提出了一种三次谐波补偿策略(Third harmonic compensation strategy, THCS),通过向过调制模块中注入补偿系数恒为1/6的三次谐波,减小其调制波的幅值,从而避免过调制,同时,向正常模块中补偿等量的反相三次谐波。该方法与文献[14⇓⇓⇓-18]中的控制策略相比,可以在保证发电量的前提下,实现系统在单位功率因数下的稳定运行,同时直流母线电压波动较小。然而,文献中未给出合理的反相三次谐波分配方案,且恒定系数的三次谐波补偿增大了正常模块发生过调制的风险。
针对文献[19]存在的问题,本文提出了一种优化的三次谐波补偿策略(Optimized third harmonic compensation strategy, OTHCS),通过对过调制模块补偿三次谐波的精确计算,使其调制波幅值为1,同时,将等量的反相三次谐波在正常模块间进行合理分配,最大限度地避免了各H桥模块过调制的发生。本文第2节介绍了单相CHB光伏并网逆变系统拓扑以及功率不平衡引发过调制的机理;第3节对所提控制策略进行了详细分析;第 4 节通过在Matlab/Simulink中搭建单相CHB光伏并网逆变系统仿真模型,将采用所提控制策略与其他方法的仿真结果进行比较,验证了所提控制策略的有效性和优越性;最后第5节对全文做出总结。
2 系统拓扑及其分析
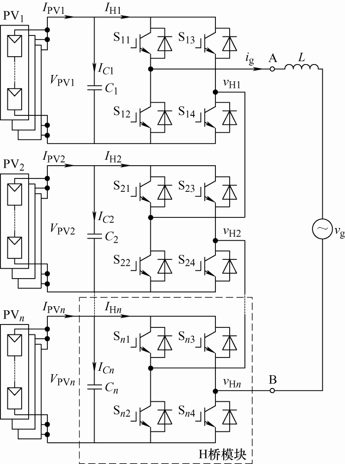
单相CHB光伏并网逆变系统拓扑结构如图1所示,该系统由n个H桥模块组成,每个H桥模块直流侧直接连接光伏组串,交流侧级联后通过滤波电感与电网连接。每个H桥模块可输出1、0和-1三种电平,因此,对于具有n个H桥模块的单相CHB系统,交流输出电压可达2n+1电平。其中,VPVi、IPVi和vHi分别为第i个H桥模块的直流母线电压、直流侧电流和交流侧输出电压;vg和ig分别为电网电压和并网电流。
图1
定义第i个H桥模块的调制波为
式中,vi为第i个H桥模块交流侧输出电压vHi的基波分量。
受部分遮挡、自身损坏等因素的影响,各光伏组串输出功率不平衡,即H桥模块间的传输功率不平衡,又因单相CHB光伏并网逆变系统中每个H桥模块流过的电流相同,所以,传输功率越大的H桥模块,其输出电压vHi和调制波mi越高,从而增加了发生过调制的风险。
根据文献[15],为了保证所有H桥模块均能避免过调制,实现单相CHB光伏并网逆变系统稳定运行,则需要满足
式中,Ig为ig的有效值。
3 控制策略
3.1 谐波补偿策略
根据上述分析,单相CHB光伏并网逆变系统的稳定运行范围受式(2)的限制,因此,需要采取措施来扩大CHB逆变器的稳定运行范围,实现系统在功率不平衡条件下的稳定运行。文献[19]提出了一种三次谐波补偿策略,能够将H桥模块的线性调制范围扩大到1.155,从而在一定程度上避免过调制。
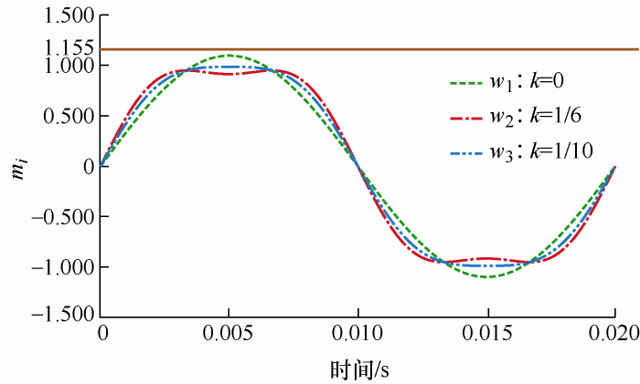
若第i个H桥模块过调制,则其补偿三次谐波后的调制波可用式(3)表示
式中,Mi为调制波的幅值;k为三次谐波补偿系数。
图2
3.2 系统控制策略
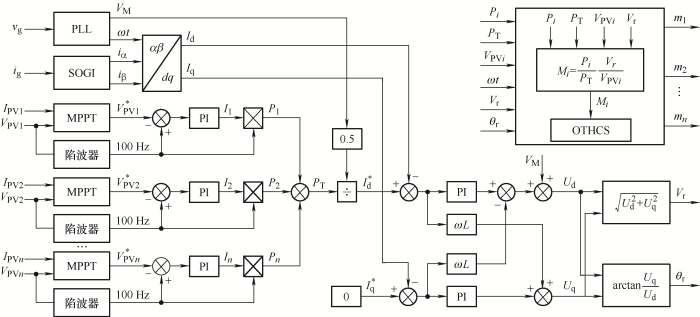
单相CHB光伏并网逆变系统控制框图如图3所示,由n个H桥控制器和一个主控制器组成。每个H桥控制器主要用于H桥模块的MPPT、直流母线电压控制以及向主控制器传输该模块的输出功率。首先,为了滤除直流母线电压中存在的2倍频波动,采用100 Hz陷波器进行滤波;然后,电压外环采用PI调节器使滤波后的电压跟踪MPPT算法所得到的直流母线电压参考值,并将PI调节器的输出作为参考电流Ii;最后,将滤波后的电压与Ii相乘得到各H桥模块的输出功率Pi。
图3
主控制器主要用于控制并网电流、判断各模块是否过调制以及根据OTHCS计算每个模块的调制波。首先,通过锁相环获得vg的幅值VM和相角ωt,并利用二阶广义积分器将ig转换成两个正交信号Iα和Iβ,其中Iα和ig同频同相,Iβ相比Iα相位滞后90°,将Iα、Iβ和ωt代入Park变换,得到电流内环的反馈信号Id和Iq。然后,将各H桥模块的Pi相加得到总功率PT,再将PT除以VM/2得到有功参考电流Id*,同时,为了保证CHB逆变器在单位功率因数下稳定运行,将无功参考电流Iq*设为0。最后,电流内环采用PI控制器实现对并网电流的控制,并得到有功调制电压幅值Ud和无功调制电压幅值Uq。
根据Ud和Uq,总调制电压的幅值Vr和总调制电压与电网电压之间的夹角θr计算如下
对于单相CHB光伏并网逆变系统,由于流过每个H桥模块的电流相同,所以每个H桥模块的交流侧输出电压的基波幅值Vi与其功率Pi成正比,如式(6)所示
根据式(1)和式(6),定义第i个H桥模块的调制波幅值为Mi,则
3.3 优化的三次谐波补偿策略
为了降低正常模块补偿反相三次谐波后出现过调制的风险,本文提出了一种优化的三次谐波补偿策略,通过选择合适的补偿系数,将过调制模块的调制波幅值补偿为1,同时,对反相三次谐波进行合理分配,从而保证所有H桥模块均未发生过调制。
根据式(3),补偿三次谐波后的调制波幅值可以表示为
为了向系统中补偿最少的三次谐波,令max(mi)=1,则Mi和k的关系式为
图4
拟合曲线的表达式如式(10)所示
式中,ci为多项式第i项的拟合系数,其值如表1所示。
可见,当1<Mi≤1.155时,由式(10)得到的三次谐波补偿系数可使过调制波幅值恰好为1,该补偿系数是H桥模块工作在线性调制区域的最小值,同时,对正常模块补偿的反相三次谐波也是最小的。
对于单相CHB光伏并网逆变系统,其调制波的相关计算如图5所示。根据式(7)计算各模块调制波幅值Mi,当所有H桥模块的Mi均不大于1时,CHB逆变器无需补偿三次谐波就可以稳定运行,此时,第i个H桥模块的调制波如式(11)所示
图5
否则,当x个H桥模块的Mi介于1到1.155之间,且其余模块的Mi都不超过1时(1<M1~Mx≤1.155, Mx+1~Mn≤1),则其调制波的计算过程如下。
(1) 根据式(7)和式(10)计算各过调制模块的补偿系数k1~kx,并定义过调制模块的调制波如式(12)所示
(2) 补偿到系统总的三次谐波计算如下
(3) 正常模块所允许补偿的反相三次谐波幅值为
(4) 补偿到正常模块的反相三次谐波为
(5) 根据式(15)可得正常模块的调制波计算如下
由于正常模块补偿反相三次谐波后,其调制波幅值会增加,因此,为了保证各正常模块补偿反相三次谐波后的调制波幅值不超过1,则需要满足[20]
最后,当存在至少一个H桥模块的Mi大于1.155时,即便k=1/6,该模块仍发生过调制。
4 仿真验证
在0~0.35 s内,设定各光伏组串的光照强度和温度均为1 000 W/m2和25 ℃,0.35 s时,将第三和第四个H桥模块的光照强度分别降低至850 W/m2和300 W/m2。各光伏组串的输出功率如图6所示,0.35 s后,前两个光伏组串的输出功率保持不变,后两个光伏组串的输出功率由262.5 W分别降低至225 W和80 W,从而导致了CHB逆变器输入功率的不平衡。
图6
当不采用任何附加的功率平衡控制策略时,各H桥模块的调制波如图7所示,0.35 s前,各H桥模块均未发生过调制,0.35 s后,功率的不平衡导致第一和第二个H桥模块的调制波幅值大于1,即发生了过调制,这验证了单相CHB光伏并网逆变系统在功率不平衡条件下,传输功率高的H桥模块易造成过调制现象的出现。
图7
无任何附加功率平衡控制时的并网电流如图8所示,0.35 s前,单相CHB光伏并网逆变系统稳定运行,并网电流的总谐波畸变率(Total harmonic distortion, THD)为1.93%;0.35 s后,由于前两个H桥模块发生了过调制,并网电流的THD增加到5.72%,未满足电网对发电单元电能质量的要求。
图8
图9
图10
图11
图12
当采用本文所提出的OTHCS控制时,各H桥模块的调制波如图13所示,通过对第一、二个H桥模块补偿式(12)所计算出的三次谐波,使其调制波幅值为1,同时,根据式(15)实现反相三次谐波在正常模块间的优化分配,保证所有H桥模块均能避免过调制。第一个H桥模块的直流母线电压如图14所示,直流母线电压以100 Hz的频率波动,0.35 s后,其峰峰值由0.77 V降为0.7 V,相较于HMS,其电压波动较小,从而提高了光伏组件所捕获的太阳能和MPPT效率。采用OTHCS控制时的逆变器输出电压、电网电压及并网电流如图15所示,可以看出,即使在功率不平衡的情况下,单相CHB光伏并网逆变系统仍能实现在单位功率因数下的稳定运行,逆变器输出九电平的电压波形,同时,并网电流的THD为2.48%。
图13
图14
图15
5 结论
针对单相CHB光伏并网逆变系统因模块间功率不平衡而导致的过调制问题,提出了一种优化的三次谐波补偿策略,通过计算获取过调制模块的调制波幅值,利用曲线拟合法求取三次谐波补偿系数,使补偿后的调制波幅值为1;同时,根据各正常模块所允许补偿的谐波幅值大小,对反向三次谐波按比例进行分配,从而保证各H桥模块均可避免过调制的发生。利用搭建的单相CHB光伏并网逆变系统仿真模型,对采用所提控制策略与常规THCS、HMS的仿真结果进行了对比分析,验证了所提控制策略不仅能避免采用常规THCS时正常模块过调制的发生,而且较HMS能实现更小的直流母线电压波动。
参考文献
一种基于矩阵变换器的海上风力机中压电能变换系统
[J].
A medium voltage power conversion system for offshore wind turbine based on matrix converter
[J].
一种适用于任意电平数三相级联H桥变换器的简化多电平SVPWM算法
[J].
A simplified multilevel space vector pulse-with modulation algorithm for three-phase cascaded H-bridge converter with any level
[J].
Modular cascaded H-bridge multilevel PV inverter with distributed MPPT for grid-connected applications
[J].DOI:10.1109/TIA.2014.2354396 URL [本文引用: 1]
A multilevel inverter for photovoltaic systems with fuzzy logic control
[J].DOI:10.1109/TIE.2010.2044119 URL [本文引用: 1]
Decoupled active and reactive power control for large-scale grid-connected photovoltaic systems using cascaded modular multilevel converters
[J].DOI:10.1109/TPEL.2014.2304966 URL [本文引用: 1]
Power balance of cascaded H-bridge multilevel converters for large-scale photovoltaic integration
[J].DOI:10.1109/TPEL.2015.2406315 URL [本文引用: 1]
级联型光伏并网逆变器在光照不均匀条件下的功率平衡控制
[J].
Power balanced controlling of cascaded inverter for grid-connected photovoltaic systems under unequal irradiance conditions
[J].
An FPGA-based advanced control strategy of a grid-tied PV CHB inverter
[J].DOI:10.1109/TPEL.2015.2405416 URL [本文引用: 1]
Thermally compensated discontinuous modulation strategy for cascaded H-bridge converters
[J].DOI:10.1109/TPEL.2017.2694455 URL [本文引用: 1]
Cascaded H-bridge multilevel PV topology for alleviation of per-phase power imbalances and reduction of second harmonic voltage ripple
[J].DOI:10.1109/TPEL.2015.2497707 URL [本文引用: 1]
A modified hybrid modulation strategy for suppressing DC voltage fluctuation of cascaded H-bridge photovoltaic inverter
[J].DOI:10.1109/TIE.2017.2758758 URL [本文引用: 1]
A modified disposition pulse width modulation to suppress the leakage current for the transformerless cascaded H-bridge inverters
[J].DOI:10.1109/TIE.2017.2733488 URL [本文引用: 1]
Flexible control of photovoltaic grid-connected cascaded H-bridge converters during unbalanced voltage sags
[J].DOI:10.1109/TIE.2017.2786204 URL [本文引用: 1]
Reactive power compensation and optimization strategy for grid-interactive cascaded photovoltaic systems
[J].DOI:10.1109/TPEL.2014.2333004 URL [本文引用: 2]
基于无功补偿的级联H桥光伏逆变器功率不平衡控制策略
[J].
Control strategy for cascaded H-bridge photovoltaic inverter under unbalanced power conditions based on reactive compensation
[J].
Stable operation of grid connected cascaded H-bridge inverter under unbalanced insolation conditions
[C]//
级联H桥光伏并网逆变器混合调制策略
[J].
A hybrid control scheme of cascaded H-bridge inverter for grid-connection photovoltaic systems
[J].
Hybrid modulation technique for grid-connected cascaded photovoltaic systems
[J].DOI:10.1109/TIE.2016.2580122 URL [本文引用: 2]
Power routing for cascaded H-bridge converters
[J].DOI:10.1109/TPEL.2017.2658182 URL [本文引用: 3]
/
| 〈 |
|
〉 |
