新型耦合电感阻抗源逆变器应力简化分析方法*
李奕杰, 陈良亮, 孔庆朝, 刘鸿鹏

A Simplified Stress Analysis Method for Coupled-inductor Impedance-source Inverters
LI Yijie, CHEN Liangliang, KONG Qingchao, LIU Hongpeng
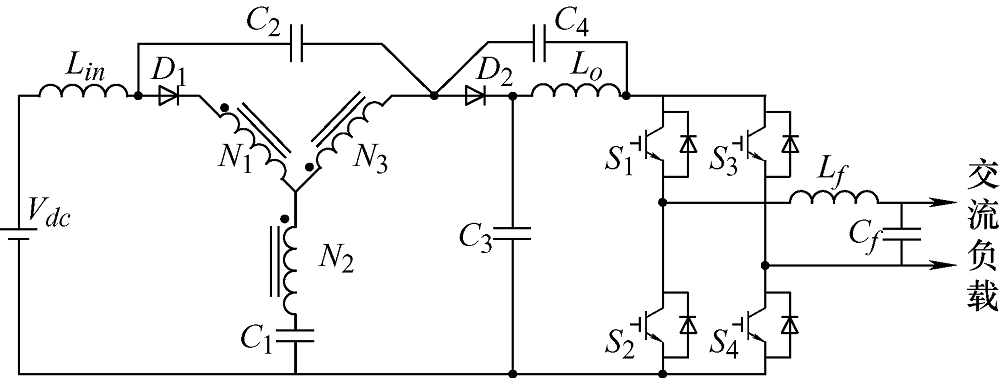
图1 高升压比Y源逆变器