基于最优效率的双有源桥变换器参数设计优化方法*
全生明, 苏舒, 赵楠, 李驰, 郑泽东

Design Method of Dual Active Bridge Based on the Optimum Efficiency
QUAN Shengming, SU Shu, ZHAO Nan, LI Chi, ZHENG Zedong
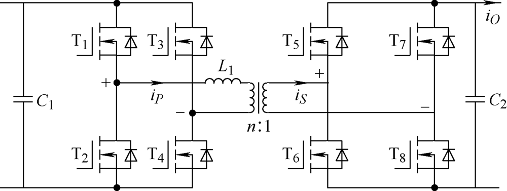
图1 双有源桥变换器拓扑结构