基于深度卷积神经网络和合作博弈的多微网实时能量管理策略 |
陈灵, 陈郑平, 李军良, 米为民, 刘铭洋 |
Real-time Energy Management Strategy for Micro-grid Clusters Based on Deep Convolutional Neural Network and Cooperative Game |
CHEN Ling, CHEN Zhengping, LI Junliang, MI Weimin, LIU Mingyang |
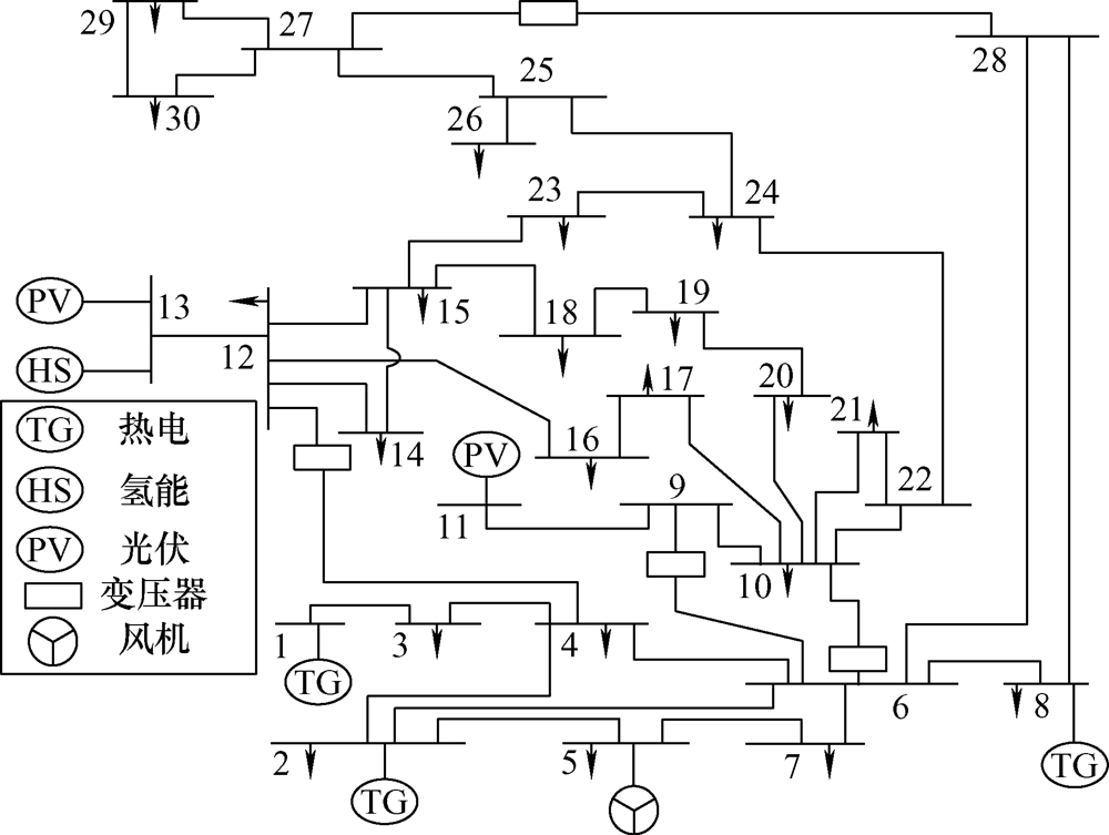
图2 单个MG内部拓扑图 |
![]() |