基于长短期记忆网络的电网同调机群快速辨识
毛煜, 尚海昆, 于卓琦

A Fast Prediction Method of Coherent Generators Based on Long Short-term Memory Network
MAO Yu, SHANG Haikun, YU Zhuoqi
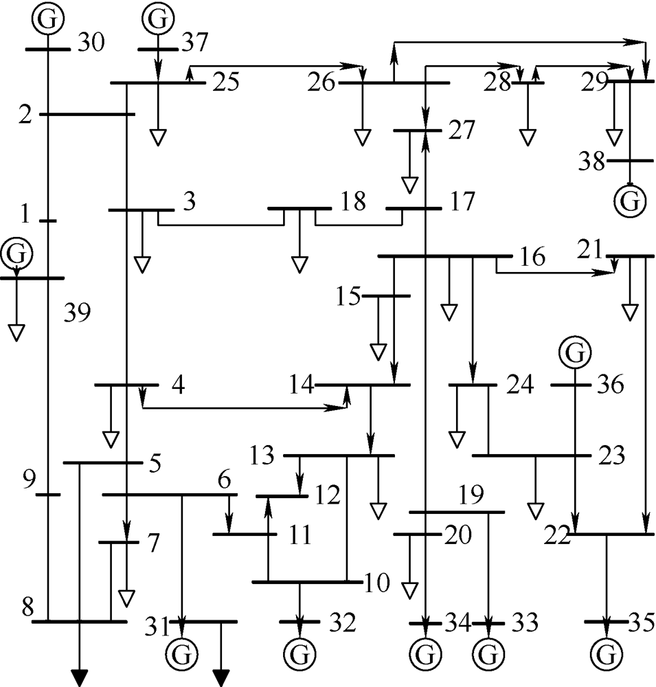
图8 IEEE-39节点系统