三电平UPQC的变阻尼无源混合控制策略*
夏亮, 王久和, 陈美锋, 刘金昌

Passivity-based Hybrid Control Strategy with Variable Damping for Three Level UPQC
XIA Liang, WANG Jiuhe, CHEN Meifeng, LIU Jinchang
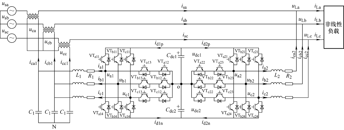
图1 T-NPC型UPQC的电路拓扑结构