基于电压平衡的锂电池主动均衡电路及策略
杜海忠, 骆滔, 宋浩谊, 曾俊, 章治国

Active Balancing Circuit and Strategy of Li-ion Battery Based on Voltage Balance
DU Haizhong, LUO Tao, SONG Haoyi, ZENG Jun, ZHANG Zhiguo
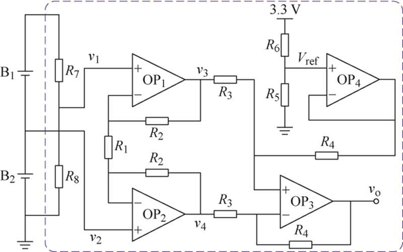
图3 电压差放大电路