微网中逆变器并联控制功率分配的研究 *
赵凯, 由蕤, 韩东旭, 刘鑫

Research on Power Distribution for Parallel Inverters in Micro-grids
ZHAO Kai, YOU Rui, HAN Dongxu, LIU Xin
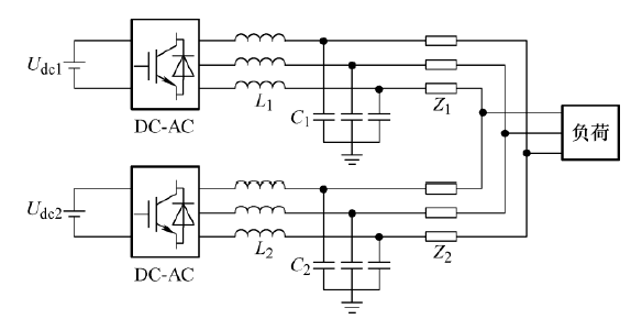
图4 逆变器并联控制系统的结构图