面向智能运维的新一代集约化智能环网柜研究与设计 *
Research and Design of a New Generation of Intensive Intelligent Ring Main Unit for Intelligent Operation and Maintenance
收稿日期: 2020-07-13 修回日期: 2020-08-29 网络出版日期: 2020-12-25
基金资助: |
|
Received: 2020-07-13 Revised: 2020-08-29 Online: 2020-12-25
作者简介 About authors
张耀宇,男,1973年生,高级工程师。主要研究方向为配网自动化运维。E-mail:
孔祥轩,男,1986年生,高级工程师。主要研究方向为配网设备运维。
刘振祥,男,1990年生,助理工程师。主要研究方向为配电自动化技术与自动化检测技术。
蔡广林,男,1980年生,博士,高级工程师。主要研究方向为电压稳定分析与控制和配电网自动化控制。E-mail:
针对传统环网柜智能化程度不高、设备运行状态信息缺乏以及运维效率低下等问题,开展了面向智能运维的新一代集约化智能环网柜的研究,并形成了环网柜智能化建设设计方案。具体将SF6全绝缘环网柜在架构上分为、设备层、感知层和终端层,对各层进行数据流定义并结合物联网通信技术,从横向上实现设备之间的层内数据交互,在纵向上实现传感器、一次设备、终端以及主站间的层间智能协同,以此最大限度地整合环网柜的各类信息,为环网柜实现状态监测、运行控制、故障预判和智能运维等高级应用提供了技术支撑。
关键词:
Traditional ring main unit is not intelligent, lack of equipment operation status information and low operation as well as maintenance efficiency. In order to solve these problems, a new generation of intensive intelligent ring main unit for intelligent operation and maintenance is studied. The intelligent construction design scheme of ring main unit is formed. Specifically, the SF6 gas insulation ring main unit is divided into a sensing layer, a device layer, and a terminal layer in an architectural manner. Data streams are defined for each layer and combined with the Internet of things communication technology. In the horizontal direction, the intra-layer data interaction between devices is realized, and in the vertical direction, the inter-layer intelligent collaboration among sensors, primary devices, terminals, and master stations is realized. In this way, the various information of the ring network cabinet is integrated to the maximum extent. It provides technical support for advanced applications such as state monitoring,operation control, fault prediction, and intelligent operation as well as maintenance of the ring main unit.
Keywords:
本文引用格式
张耀宇, 孔祥轩, 刘振祥, 蔡广林.
ZHANG Yaoyu, KONG Xiangxuan, LIU Zhenxiang, CAI Guanglin.
1 引言
鉴于此,本文以SF6全绝缘紧凑型金属密封环网柜为研究对象,重点开展了面向智能运维的新一代集约化智能环网柜的研究,在SF6全绝缘环网柜(以下简称“SF6环网柜”或“环网柜”)的基础上进行改造设计:首先,将SF6环网柜架构划分为设备层、感知层和终端层,对各层进行数据流定义;其次,结合物联网通信技术,横向上实现设备之间的层内数据交互,纵向上实现传感器、一次设备、终端以及主站间的层间智能协同;最后,最大限度地整合环网柜的各类信息,为实现环网柜的状态监测、运行控制、故障预判和智能运维等高级应用提供支撑。
2 传统环网柜应用现状
(1) 柜内现有监测方式单一,对温度、湿度、气体浓度和绝缘强度等方面的信息采集不完整,难以实现同一时间从绝缘、机械和温升等角度推断出环网柜的健康状况。
(2) 柜内各设备运行数据采集与交互不够全面和可靠,运行优化控制难以实行。
(3) 故障寻点往往使用人力排查,缺乏故障隐患预测功能。
(4) 采用定期巡检维护的方式,效率低下且难以及时发现异常问题。
3 集约化智能环网柜设计目标
基于第2节中对于传统SF6环网柜应用现状的概括,本文所提集约化智能环网柜的研究设计核心需要重点解决传统柜体的现状问题,结合物联网通信和传感器技术的特征,制定设计目标如下。
(1) 以SF6环网柜的智能化为基础,在架构上将SF6环网柜划分为设备层、感知层和终端层,针对各层开展数据流定义,服务于就地智能化监测与控制、设备运行状态监控、设备状态监测的高级应用,实现横向设备间数据交互,纵向主站、终端、一次设备及传感器的多层级智能化功能协同。
(2) 研究开关、电缆、接头等的绝缘条件,对局放信号和设备运行电气量进行状态监测,通过监测和判断,实现故障预防与预判的功能。
(3) 研究SF6环网柜环境状态监测技术,通过红外、声波、无源监控等手段实现电缆温度、环境温湿度的状态监测与评估。
(4) 开发智能运维平台,实现SF6环网柜的在线远程运维辅助决策自动生成及实施。
4 集约化智能环网柜设计研究方案
图1
图2
由图2可见,对多个SF6环网柜进行集约化和智能化建设,整体设计思路如下:首先,在现有SF6环网柜的基础之上,加装各类型传感器以形成感知层,后者对设备层中的一次设备和执行机构的运行和环境状态进行实时监测;其次,终端层中的智能控制器可对收集的信息进行就地分析处理,而且可通过DTU将感知层的数据信息整合上传到主站层进行综合分析,用于支撑本地的线损管理、故障隔离及数据分析等功能;最后,主站层中配套了环网柜的智能运维主站,可借助感知层上传的各环网柜数据信息进行综合分析,实现健康状况评估、故障隐患预测、远程智能运维和运行优化控制等高级应用功能。
基于上述思路,本文从硬件结构设计、智能通信设计和运维主站设计三方面阐述智能环网柜集约化设计研究方案。为了实现集约化的目标,SF6环网柜采用结构模块化、功能集中化、接口标准化设计并采用一系列高精度的综合监测组件进行环网柜运行态的全面监测;设计的智能控制器和执行机构确保环网柜安全可靠运行,控制器集成的故障研判模块有效识别各类故障并可实现故障的选线和区间定位;智能运维主站根据获取的数据,利用大数据分析技术,针对所有指标的历史数据、人为配置以及运维对报警的反馈信息实现故障预判、远方运维等高级功能。
4.1 硬件设计
4.1.1 本体结构设计
SF6环网柜的本体结构包括有气箱、操作机构室和电缆室,部分柜还有母线连接室。在本方案中,① SF6环网柜采用“断路器在上、负荷开关在下”的模式,其中负荷开关充当隔离开关使用,在维护和检修的情况下提供一个明显的断开点;② 采用共箱式的柜体结构,开关和硬母线要求密封在同一个金属封闭外壳内,灭弧介质和绝缘介质则采用SF6;③ SF6环网柜的各功能装置采用模块化设计,各功能模块之间可插拔式连接;将一、二次的接口进行融合设计,采用统一的接口定义和结构,如环进环出单元、馈线单元的电源、“三遥”控等回路以及母线设备单元的电源、电压等回路均采用标准化接口,利用航插连接;④ 在本体结构的基础之上加装各类传感器,包括电流电压传感器、温湿度传感器、位移传感器、局放监测传感器等。
4.1.2 智能控制器设计
智能控制器整体为方形箱式结构,防护等级满足IP55级,整体结构以及外形尺寸具体如图3所示。
图3
智能控制器结构如图4所示,控制器主要输入输出单元、通信单元、数据处理单元、电源等组成。图4中数字信号处理 (Digital signal processing,DSP)微处理器为控制器的数据处理单元;各类传感器与模数转换接口(Analog to digital converter,ADC)和I/O及其相连的各子单元构成了控制器的输入输出单元,可以进行RS485和LoRa无线信息传输的通信模块为控制器的通信单元;同时控制器集成了传统电缆型接地短路故障指示器的故障研判模块的功能,所集成的故障研判模块,适用于中性点不接地、经消弧线圈接地和经小电阻接地三种接地方式下短路接地故障的判别,其原理采用的是高精度的暂态零序电流比较法,保持不同环网柜之间的故障研判模块获取的采集信息同步可实现故障选线与故障区段定位;结合集成的故障研判模块,控制器可根据采集的信息自主分析,如出现短路等严重故障,控制器可将故障信息输出并控制操作机构自动分闸,如监测到柜内温度、湿度大于设定值,则可以控制调节机构自主完成相关调节,此外,通信模块将控制器收集的信息远传至主站,也可利用各种客户端远程控制分合闸,变更设置参数、完成程序升级等功能,实现远程运维,减少实地巡检的次数;此外在云端利用大数据分析技术,可对故障前的数据着重分析,捕捉故障特征信息,实现设备的健康评估、故障预测、导致故障发生的多因素分析。
图4
4.1.3 智能化执行机构优化设计
为此,对柜体内的执行机构进行了智能化设计。智能化执行结构包含两个方面:一是控制分合闸的操作机构,二是调节柜内运行环境的调节机构。执行机构主要由开关量输入、传感器输入、电机驱动电路和通信部分构成。与传统SF6环网柜相比,本方案不仅在原有的操作机构基础上进行了改造,还增加了调节温度、湿度、SF6密度等的加热器、轴流式风扇等在内的调节装置,最重要的是在执行机构增加了通信功能,不仅可以实现层内设备的协调联动,也可以实现传感器、一次设备、终端以及主站间的层间智能协同。
(1) 操作机构设计。
如图5所示,本文智能环网柜中的10 kV永磁操作机构为永磁真空断路器,通过通信单元与智能控制器配合使用,具体涵盖外置测量和电源用电压互感器(电子式电压互感器(Electronic voltage transformer,EVT))、控制器、测控电缆和本体开关。断路器本体开关包含内置测量用三相电流互感器(电子式电流互感器(Electronic current transformer,ECT))、开关位置传感器(电子式接近开关)和永磁机构部分;测控电缆主要由电流电缆和控制信号以及控制输出电缆组成。从图5可以看出,电压互感器一方面作为取电装置,用来给智能控制器和断路器的控制结构供电,另一方面作为采集装置,采集线路运行的电压信号;电流互感器则仅作为采集装置,采集线路运行的电流信号。
图5
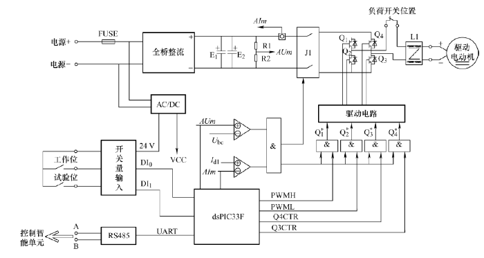
鉴于10 kV永磁真空断路器本体开关无法手动合闸,需要可靠的合闸信号执行合闸动作,一旦控制单元发生异常可能会导致线路无法送电或者故障隔离这一问题。在设计时采用了DSP+复杂可编程逻辑器件(Complex programmable logic device,CPLD)嵌入式软硬件组合分层控制设计,既可独立控制又可相互协作,保证了永磁开关操作控制的高可靠性。原理框图如图6所示,智能断路器内置有控制单元,其主要由DSP控制芯片和相关电路逻辑模块构成,永磁控制模块主要由CPLD芯片和相关驱动控制模块构成;控制单元自身可以对线路运行故障进行判断并自主完成分合闸,也可通过智能控制器控制永磁断路器进行可靠的分合闸,在特殊情况下,控制单元故障,还可直接通过手柄触发手动分合闸信号,永磁控制模块接收到分合闸信号控制断路器执行相关动作,即运行时永磁控制模块可与智能断路器的控制单元、智能控制器相互配合,实现分层控制,也可独立进行控制,以此消除处理单元出现故障而无法正常实现分合闸操作的缺陷。
图6
(2) 调节机构设计。
柜体内安装的温度、湿度、SF6密度等传感器对柜内运行环境实时监测,一旦发现测量值超过设定的阈值,调节机构被驱动开始工作,调节柜体内的环境状态至适宜范围内。图7为调节机构的设计图,其中调节机构由智能控制器控制工作。
图7
4.2 智能通信设计
SF6环网柜智能通信设计原则为增加的传感器线路尽可能不影响柜体原有布线,尽可能少地改变柜体结构,不影响SF6环网柜本身的绝缘水平,保持柜体体积小巧的特点。此外,需要考虑柜体数据信息的监测特点,合理保证数据信息的可靠性和实时性。因此,本文考虑对柜体的通信方式采用光纤和物联网通信相结合的方式。
4.2.1 设计思路
(1) 传统“三遥要求”等信息经DTU主控单元汇集再通过光纤通道传输到配电自动化系统。
(2) 新增传感器信息先经LoRa无线短通信方式将信息传输至智能控制器,以供控制器分析处理,再通过RS485传输到DTU主控单元汇集,然后由DTU主控单元通过4G或者LTE-G230MHz电力无线专网传输到云平台。
(3) 配电自动化系统与云平台实现数据交互,为后续的智能运行主站提供基础数据支撑。
4.2.2 通信方案
传统的“三遥要求”等信息对通信的可靠性、实时性要求极高,因此还是用传统有线通信方式。如图8所示,SF6环网柜中三遥等信息通过RS485线传输到智能控制器,再到DTU主控单元,后者也通过RS485线与光端机相连,并最终通过光纤以太网传输到主站服务器。
图8
诸如局放、红外、环境量等监测量,其可靠性和实时性的要求相对“三遥要求”信息低,而且相关的传感器相对多且分散,此外信息量一般不大。因此,在SF6环网柜中的传感器可以借助LoRa无线短通信与智能控制器,然后经RS485传输至主控单元DTU实现柜体内部通信,如图9所示;比如就局放监测而言,局放监测是环网柜监测的重要环节,环网柜在实际运行中的许多故障均是由局放造成。本文局放监测手段的理论原理是基于特高频法,实际实施中采用特高频传感器和噪声传感器构成局放监测传感器的方式进行局放监测。以特高频传感器获取局放信号和噪声传感器排除外界干扰信号的组合共同实现准确的局放监测;传感器获取的数据经LoRa无线传输至智能控制器及柜内通信链路实现完整的局放监测系统。对于LoRa无线传输的实施可采内置LoRa模块的传感器或外接独立的LoRa收发装置实现。
图9
而对于柜体外部通信,可增加网关并借助4G或者LTE-G230M电力无线专网将信息传输到云平台,如图10所示。
图10
图11为SF6环网柜智能通信设计方案,可支持目前“三遥”要求以及今后物联网化的智能设备监测需求。
图11
4.3 智能运维主站设计
SF6环网柜智能运维主站需要借助感知层上传的各环网柜数据信息进行综合分析,实现所管辖范围内环网柜的健康状况评估、异常状态告警、故障隐患预测、远程智能运维和运行优化控制等高级应用功能。因此,主站设计的功能分布和架构如图12所示。
图12
可见,智能运维主站分为5层,具体为设备层、通信层、数据服务层、应用层和展示层。其中,展示层由PC版网站和桌面软件构成,方便运维人员及时掌握SF6环网柜的运行详情,对于现场人员也可便于其进行安装调试和检测,以此最大限度地整合环网柜的各类信息,为实现智能环网柜集约化提供平台支持。
智能运维主站设计的高级应用的实现主要是基于大数据分析技术,针对所有指标的历史数据、人为配置以及运维对报警的反馈信息,如对环网柜出现故障前的某一段时间内的数据进行统计分析,挖据出这一段时间内数据异常或变化较大的参数量,分析其变化趋势,并将同一时段的各种可疑数据量进行关联分析,探寻故障形成的多因素性,找寻其潜在规律;综合评估出不同区域SF6环网柜的合理阈值,将阈值与感知层采集的实时监测值进行比对,给出判断结果,从而实现智能运维的高级应用。
5 方案分析
5.1 优化设计对比
本方案设计的面向智能运维的新一代集约化智能环网柜与传统环网柜相比,不仅仅实现线路开断,可靠分合闸,还内置多类传感器实现对柜体运行参数和环境参数全监测,集成了传统环网柜手持仪器监测的功能;同时智能控制器对柜内所有机构进行直接或间接的控制,并将各个环网柜的运行信息发送至云端统一管理;基于可靠的通信方式和大量信息获取,再结合大数据分析技术,使获取的信息被最大限度地利用且实现了包括健康评估、故障预测等在内的高级应用;集约化的方案设计使后期的运维成本大大降低,运维效率显著提高。表1对智能环网柜和传统环网柜的特征进行对比,有助于对本方案设计的智能环网柜进一步深入了解。
表1 智能环网柜与传统环网柜特征比较
特征 | 智能环网柜 | 传统环网柜 |
---|---|---|
柜体 机构 | 基本本体结构、各类传感器、智能控制器、智能执行机构、DTU通信 | 基本本体结构 DTU通信 |
监测 参数 | 电压、电流、温度、湿度、局放情况、SF6浓度、分合闸状态等 | 电压、电流、分合闸状态 |
执行 机构 | 永磁操作机构(电动) 柜体内调节机构 | 弹簧操作机构(手动/电动) |
柜体内 调节 | 具有对柜内温度、湿度等条件进行调节的机构 | 缺少相关装置 |
通信 方式 | 柜体内无线传输、 柜体外DTU通信(4G/光纤) | 无或DTU通信(4G/光纤)实现“三遥” |
运维 方式 | 差异化运维、 主站运维、人工巡检 | 定期检修 人工巡检、 |
功能 特点 | 线路开断分合闸 线路运行状态监测 环境状态监测 环境状态调节 健康评估 故障预测等 | 线路开断分合闸 线路运行状态监测 |
5.2 运行效果测试
本方案在南方电网某供电公司所辖区域进行试点验证,图13为试点处SF6环网柜的外形图。经验证,本设计方案取得了不错的运行效果,验证了本方案设计的合理性。
图13
本方案设计中,可靠的通信链路是实现环网柜智能化、集约化的基础。因此,抓取了通信过程中的数据包进行测试和统计,如图14所示,上行丢包率的最大值为0.29%,下行丢包率的最大值为0.24%,而一般而言丢包率的测试标准要求在1%以下,因而可以认为本方案通信单元设计满足可靠性的要求。
图14
图15
图16
图17
图16~19仅反映了某时段柜体内温湿度监测和局放间监测情况,类似地,还可在运维主站内对各相电缆接头的温度、柜体内SF6的浓度的监测情况进行查询,导出相关分析数据,进一步地,运维主站后台利用大数据分析技术实现同一时间从绝缘、机械和温升等角度对SF6环网柜的健康状况开展评估,进行故障预测,及时告知运维人员潜在隐患,提升运维服务。
图18
图19
6 结论
针对传统SF6环网柜在运行和维护存在的一些问题,本文从设备层、感知层和终端层三个层面对SF6环网柜进行了集约智能化设计。在设备层,对本体结构和智能执行机构进行了改进设计,并重点提出了集约智能化控制单元设计方案,该智能控制单元解决了传统控制单元在发生异常时可能会导致线路无法送电或者无法隔离故障这一问题;在感知层,设计加装了各类无线传感器,用以综合采集各监测点的多项数据;在终端层,以DTU为载体,通过搭建智能运维主站的方式完成对不同安装点SF6环网柜的信息统一管理,实现数据分析展示、运行优化控制、健康状况评估、异常状态告警、故障隐患预测和远程智能运维等高级应用。从横向上实现设备之间的层内数据交互,从纵向上实现传感器、一次设备、终端以及主站间的层间智能协同,进一步提高了环网柜的数据监测的可靠性、实时性和多样性,此外展现了环网柜智能化运维的模式与思路。后续针对数据采集后的智能化分析处理及高级应用的实现,将作进一步的深入研究。
参考文献
基于多维度诊断技术的10 kV开关柜局放带电检测应用研究
[J].
Research of 10 kV switchgear partial discharge charged detection application based on multi-dimension diagnostic techniques
[J].
绝缘气体对开关柜内部故障燃弧压力上升的影响
[J].
Influence of insulating gas on pressure rise due to internal fault arcing in switchgear
[J].
基于IEC61850标准的环网柜在线状态监测系统研究
[J].
Research on on-line monitoring system of RMU based on IEC61850 standard
[J].
2017年国际供电会议配电设备发展新趋势
[J].
New trend of distribution equipment development (CIRED 2017 S1)
[J].
Continuous monitoring of circuit breakers using vibration analysis
[J].DOI:10.1109/TPWRD.2005.855486 URL [本文引用: 1]
10 kV环网柜温湿度综合智能监控系统的研究与实践
[J].
Research and practice of integrated intelligent monitoring system of 10 kV ring net cabinet
[J].
固体绝缘环网柜表面导电屏蔽接地涂层制备及性能研究
[J].
Preparation and performance study of conductive shield ground coating on solid insulation RMU surface
[J].
Research on the on-line monitoring and early warning system of city power cable junctions malfunction
[J].
一种环网柜的智能改造方案
[J].
Intelligent transformation scheme of ring network cabinet
[J].
基于ZigBee技术的开关柜温度在线监测终端设计
[J].
Design of ZigBee-based on-line temperature monitoring terminal for the switch cabinet
[J].
Research on switchgear contact temperature online monitoring based on Zigbee wireless network
[C]//
配电自动化通信技术选择及建设方案
[J].
The choice of communication technology and construction scheme of DA
[J].
10 kV真空断路器永磁机构驱动电路设计
[J].
Design of drive circuit for 10 kV vacuum ircuit breaker permanent magnet mechanism
[J].
Application of quotient pyrometry to industrial pulverized coal combustion
[J].DOI:10.1016/S0894-1777(02)00138-3 URL [本文引用: 1]
高压开关柜异常局放故障电场数值计算与分析
[J].
DOI:10.11985/2019.02.020
URL
[本文引用: 1]
2015年以来,广西电网公司某站发生两起开关短路故障,针对该型故障的开关柜,全网进行了局放普测,结果发现个别同类型开关柜存在局放情况。就开关柜局放测试情况进行深入分析,另针对在运开关柜设备上安装无线测温装置的情况,使用COMSOL模拟软件对进线开关柜母线导体上安装无线测温装置后的电场分布进行了仿真分析,仿真结果表明,安装无线测温装置后,电场分布发生畸变,最大电场幅值增加了97.2%。
Numerical calculation and analysis of abnormal partial discharge electric field in high voltage switchgear
[J].
基于LTE-230MHz无线专网的用电信息采集技术研究
[J].
Study on power consumption Information collection technology based on LTE-230MHz wireless private
[J].
Effect of grounded coating on insulation performance for solid insulation ring main unit
[C]//
集中式智能环网柜方案
[J].
Scheme of centralized intelligent ring main unit
[J].
Design of trip current monitoring system for circuit breaker condition assessment
[J].DOI:10.1049/iet-gtd:20060074 URL [本文引用: 1]
/
〈 |
|
〉 |
