直流电能路由器端口能量综合控制策略研究*
杨新华,曹磊,张晓英

Synthetical Control Technology of DC Electric Energy Router Based on Port Energy Relationship
YANG Xinhua,CAO Lei,ZHANG Xiaoying
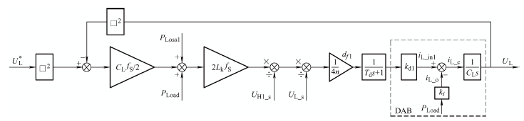
图3 端口能量平衡的母线电压控制框图