基于旋转坐标变换的孤岛微网群广义下垂控制策略
张芮漩,周念成,孟潇潇

Generalized Sag Control Strategy for Isolated Island Microgrid Clusters Based on Rotation Coordinate Transformation
ZHANG Ruixuan,ZHOU Niancheng,MENG Xiaoxiao
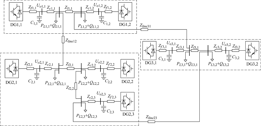
图4 微网群仿真结构示意图