远距离交直流混联输电系统频率稳定性研究 *
郝晓弘,胡开伟,马明,周强,汪宁渤

Study on Frequency Stability of Long Distance AC/DC Hybrid Transmission System
Xiaohong HAO,Kaiwei HU,Ming MA,Qiang ZHOU,Ningbo WANG
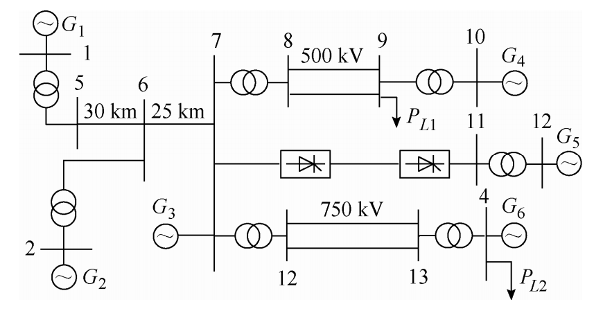
图6 六机四区域交直流非并联输电统仿真模型