远距离交直流混联输电系统频率稳定性研究 *
郝晓弘,胡开伟,马明,周强,汪宁渤

Study on Frequency Stability of Long Distance AC/DC Hybrid Transmission System
Xiaohong HAO,Kaiwei HU,Ming MA,Qiang ZHOU,Ningbo WANG
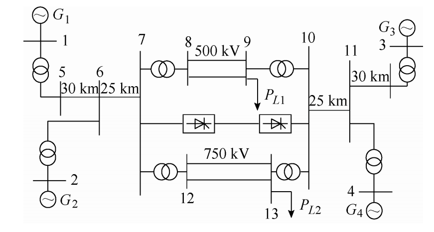
图5 四机两区域交直流并联输电系统仿真模型