基于电流反馈的同步逆变器功率解耦控制策略
陈冰,朱鸿章,陶旋,吴军

Power Decoupling Control Strategy of Synchronverter Based on Current Feedback
Chen Bing,Zhu Hongzhang,Tao Xuan Wu Jun,Wu Jun
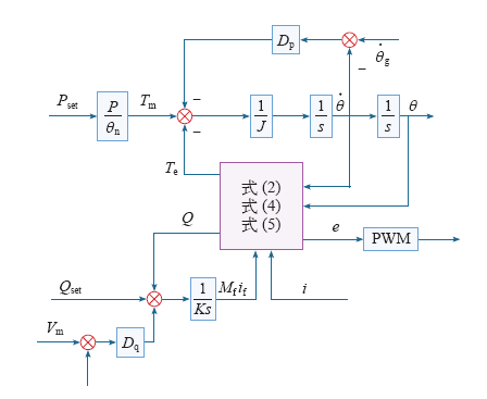
图2 同步逆变器控制部分
Fig.2 Control section of synchronverter