基于内模的DSOGI电网电压锁相方法
邢作霞,郭立立,王亮,芦彦东

A DSOGI Phase Lock Loop Method Based on Internal Model for Grid Voltage
Xing Zuoxia,Guo Lil,Wang Liang,Lu Yandong
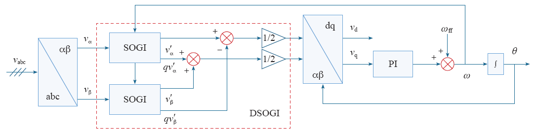
图4 DSOGI 锁相环结构
Fig.4 The structure of DSOGI