误差消除型里程计定位方法的分析与研究
闫毅平,崔凯楠,袁懿,张玥红

An Analysis on the Odometer Positioning System With Error Elimination
Yiping Yan,Kainan Cui,Yi Yuan,Yuehong Zhang
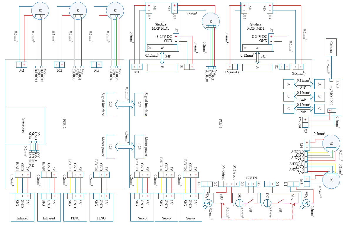
图4 系统接线图
Fig.4 System wiring diagram