误差消除型里程计定位方法的分析与研究
闫毅平,崔凯楠,袁懿,张玥红

An Analysis on the Odometer Positioning System With Error Elimination
Yiping Yan,Kainan Cui,Yi Yuan,Yuehong Zhang
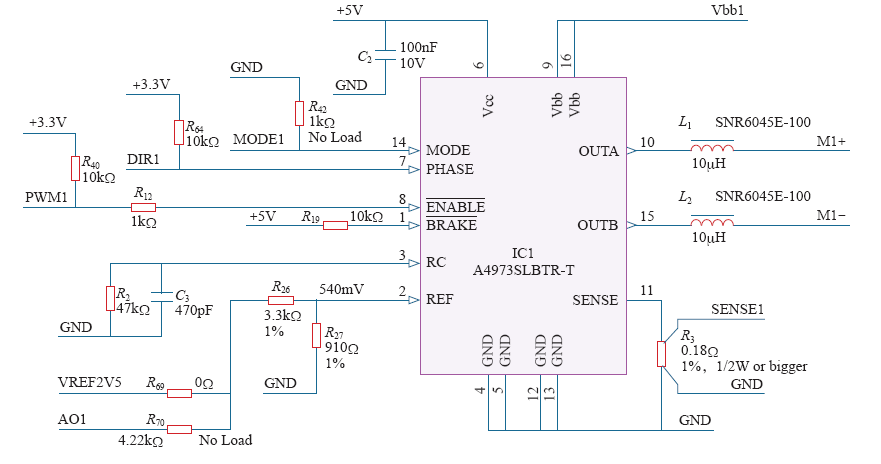
图6 电机驱动电路图
Fig.6 Motor driver circuit diagram