恒、变磁通共铁心的自耦变压器的研制
李程,徐天奇,李琰

A Novel Design of Auto-Transformer with Common Core for Constant Flux and Variable Flux
Cheng Li,Tianqi Xu,Yan Li
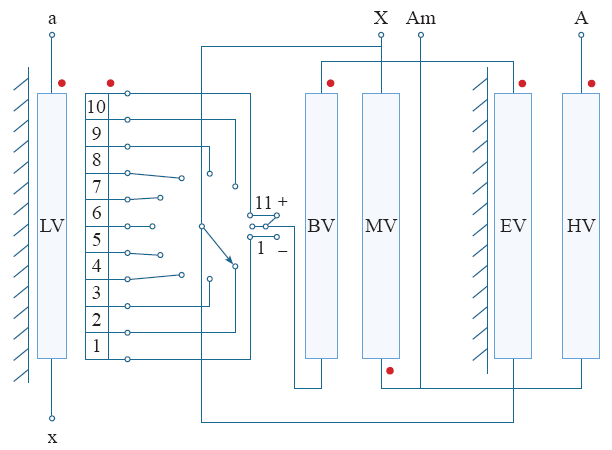
图2 接线原理图
Fig.2 Wiring diagram