三相级联型高频链矩阵整流器及其换流策略研究
邓文浪,杨永菁

Research on Three-Phase Line-Voltage-Cascaded High-Frequency Link Matrix Rectifier and Its Commutation Strategy
Wenlang Deng,Yongjing Yang
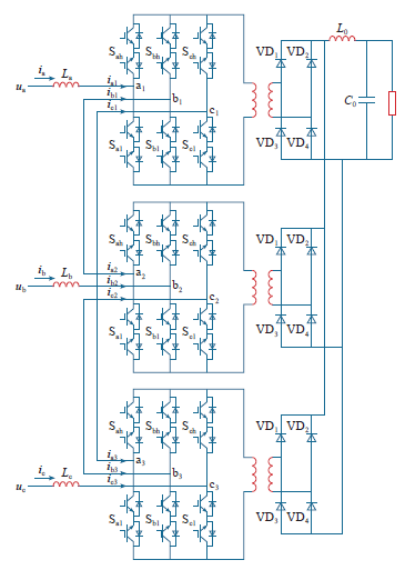
图1 LVC-HFLMR拓扑结构
Fig.1 The topology of LVC-HFLMR