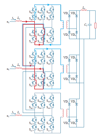
三相级联型高频链矩阵整流器及其换流策略研究
邓文浪,杨永菁
Research on Three-Phase Line-Voltage-Cascaded High-Frequency Link Matrix Rectifier and Its Commutation Strategy
Wenlang Deng,Yongjing Yang
图12
暂态过程
u
ab
→0
Fig.12
The transient process of
u
ab
→0