三相级联型高频链矩阵整流器及其换流策略研究 |
邓文浪,杨永菁 |
Research on Three-Phase Line-Voltage-Cascaded High-Frequency Link Matrix Rectifier and Its Commutation Strategy |
Wenlang Deng,Yongjing Yang |
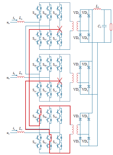
图10 第三模块变压器一次侧开路 |
Fig.10 Third module transformer open circuit |
![]() |