三相级联型高频链矩阵整流器及其换流策略研究 |
邓文浪,杨永菁 |
Research on Three-Phase Line-Voltage-Cascaded High-Frequency Link Matrix Rectifier and Its Commutation Strategy |
Wenlang Deng,Yongjing Yang |
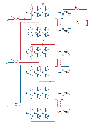
图9 换流后uab工作时的电流路径 |
Fig.9 The current path after switching when uab works |
![]() |