三相级联型高频链矩阵整流器及其换流策略研究 |
邓文浪,杨永菁 |
Research on Three-Phase Line-Voltage-Cascaded High-Frequency Link Matrix Rectifier and Its Commutation Strategy |
Wenlang Deng,Yongjing Yang |
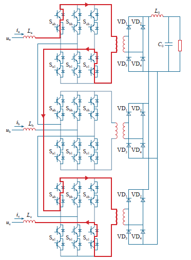
图8 换流前uac工作时的电流路径 |
Fig.8 The current path before switching when uac works |
![]() |