基于MOPSO的电力变换器多目标优化
郑沛琪,王久和,陈启丽,马亮

Multi-Objective Optimization of Power Converter Based on MOPSO
Zheng Peiqi,Wang Jiuhe,Chen Qili,Ma Liang
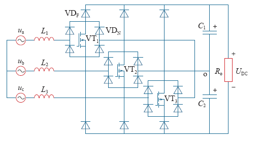
图3 Vienna整流器拓扑
Fig.3 Vienna rectifier topology