提高电力系统暂态稳定性的TCPST模糊逻辑控制器设计
杨永前

Designing a Fuzzy Logic Controller for TCPST to Enhance the Transient Stability of Power System
Yang Yongqian
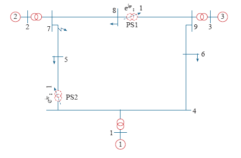
图8 含TCPST的9节点系统
Fig.8 A 9-bus system contain TCPST