磁控形状记忆合金传感器优化设计
鲁军,苏超锋

Optimized Design of Magnetically Controlled hape Memory Alloy Sensor
Lu Jun,u Chaofeng
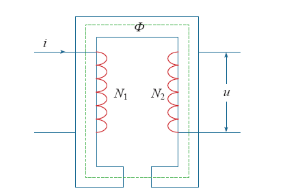
图2 MSMA传感器原理图
Fig.2 Schematic diagram of MSMA sensor