动态非线性负载用单管逆变ICPT系统参数优化
魏芝浩,王春芳,李震,李聃

The Parameter Optimization of Single Switch Inverter ICPT System for Dynamic Nonlinear Load
Wei Zhihao,Wang Chunfang,Li Zhen,Li Dan
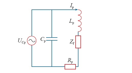
图3 一次等效电路
Fig.3 Equivalent circuit of primary side