空间电源DC-DC变换器的研究
宋丹,吉瑞萍

Study of DC-DC Converter for Space Power System
Song Dan,Ji Ruiping
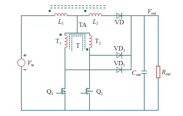
图1 非隔离Weinberg变换器
Fig.1 Non-isolated Weinberg converter