空间电源DC-DC变换器的研究
宋丹,吉瑞萍

Study of DC-DC Converter for Space Power System
Song Dan,Ji Ruiping
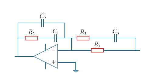
图5 有源超前—滞后补偿网络
Fig.5 The active lead-lag compensation network