一种新型的交流电机离散电流调节器设计
张永昌,夏波,白宇宁,杨海涛

A Novel Design Method of AC Motor Current Regulator in Discrete-Time Domain
Yongchang Zhang,Bo Xia,Yuning Bai,Haitao Yang
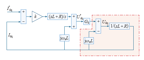
图1 传统线性PI调节器控制框图
Fig.1 Control diagram of traditional PI regulator