三相PWM整流器模型预测控制的研究
刘丛伟,林跻云

Research on Three-Phase PWM Rectifier Model Predictive Control
Congwei Liu,Jiyun Lin
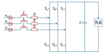
图1 三相PWM整流器主回路
Fig.1 The main circuit of Three phase PWM rectifier