750kV输电线路风偏跳闸原因分析及改造措施研究 |
杨肖辉,张东,李晓光,董新胜,张振泉,陈艳超 |
Analysis and Reform Measures of 750kV Transmission Line Wind Biased Tripped |
Yang Xiaohui,Zhang Dong,Li Xiaoguang,Dong Xinsheng,Zhang Zhengquan,Chen Yanchao |
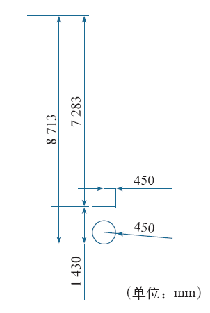
图2 绝缘子加金具等效图 |
Fig.2 Insulator plus Fittings |
![]() |