不平衡情况下逆变型分布式电源并网控制策略研究 |
| 陶维青,顾芝瑕,丁明,王乐勤,李嘉茜 |
|
Research on Control Strategy of Grid-Connected Inverter under Unbalanced Voltage Conditions |
| Weiqing Tao,Zhixia Gu,Ming Ding,Leqin Wang,Jiaxi Li |
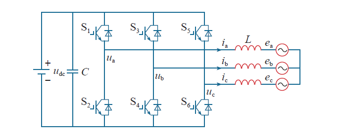
| 图1 并网逆变器主电路拓扑结构 |
| Fig.1 Main circuit topology structure of grid-connected inverter |
|