一种新型智能配电终端的设计与研究
山东鲁电电气集团有限公司 济南 250100
Design and Research of a New Type of Intelligent Power Distribution Terminal
Leader Electric (Group) Co., Ltd. Jinan 250100 China
收稿日期: 2016-01-15 网络出版日期: 2016-06-25
Received: 2016-01-15 Online: 2016-06-25
作者简介 About authors

沈大刚 男 1965年生,工程师,从事新型智能配电产品的开发和研究。
智能配电终端分散安装于智能配电网的开关节点处,完成数据采集、分布式故障检测、自愈控制、通信、与高级配电自动化系统进行信息数据交互,构成智能配电网的重要组成部分。本文在常规配电终端基础上提出了一种新型智能配电终端的设计模式,同时提出了智能配电终端硬件平台架构和软件架构分层、分模块设计思路。智能配电终端硬件平台采用基于ARM9系列的i.mx28主控芯片和ADSP-BF518的DSP芯片进行硬件平台架构搭建;软件平台采用基于嵌入式Linux系统、SQLite数据库以及实时数据、消息库完成软件架构技术搭建。为了详细介绍智能配电终端设计方法,对智能配电终端软件系统支撑层、基础功能层、管理维护层、业务应用层进行了分类分项介绍,对智能配电终端硬件平台结合总体架构、应用层、硬件相关层、硬件层进行了逐项介绍,对智能配电终端电源设计和后备电源选择模式进行了比较,同时结合现场实施提出了智能配电终端工程项目标准化设计方案。
关键词:
Intelligent power distribution terminals are installed at the switching nodes of smart distribution grids for data collection, fault detect, self-healing control, communication, information exchange with higher level of power distribution automation system, consisting a critical part of the smart distribution grids. Based on regular power distribution terminal, a design method for new type of intelligent power distribution terminal is provided in the paper, the design methods of hardware framework, hierarchical and modulized software framework are also proved. To build the hardware platform, the hardware framework adopts the ARM9 series based i.mx28 chipsets and ADSP-BF518 based DSP chipsets. The software platform adopts the architecture based on embedded Linux system, SQLite database and real-time database/information data. To introduce the intelligent power distribution terminal in detail, the system support layer, basic function layer, management/maintenance layer, business application layer of software platform are described in the paper, the hardware platform and the architecture, application layer, hardware related layer, power-supply system, and the method of standard design are also described.
Keywords:
本文引用格式
沈大刚.
Shen Dagang.
1 引言
智能电网涵盖智能输电、智能配电以及智能用电等多方面的内容,而智能配电网作为面向电力用户的最后一个环节,其重要性不言而喻,确保电能供给的可靠和稳定是智能配电网发展的重中之重。因此,建立一个具有可靠性、经济性、实用性和自愈性的智能配电系统是智能配电网发展的必然趋势。随着智能配电网的发展,高级配电自动化(ADA)技术也将获得快速发展,为智能配电网提供完善的监视、控制、故障检测和故障自愈等功能。ADA系统功能的实现离不开分散安装在各测量节点的配电终端,智能配电终端可视为对传统的站所终端设备(DTU)、馈线终端设备(FTU)以及馈线自动化系统(FA)的继承和发展,但功能集成度和智能化程度更高,更符合智能配电网的要求[1],本文基于传统的配电终端提出了一种新型智能配电终端硬件平台和软件平台架构设计。
2 智能配电终端功能描述
智能配电终端作为ADA系统的核心设备,ADA系统需要的监控数据、开关位置状态信息等均来自智能配电终端,ADA系统做出的决策和控制命令将由智能配电终端执行。此外,智能配电终端还可独立完成分布式的保护、控制功能[2],智能配电终端的功能如下:
(1)数据采集与处理功能。该功能主要完成电气量以及非电气量的采集和信息处理,这些信息包括各种配电设备和线路的电气量信息、设备运行信息、故障情况下的故障测量信息以及故障特征量计算信息等,所有信息既可供智能配电终端内的各种功能使用,也可被其他智能配电终端和ADA系统按一定的协议和格式调用,以满足智能配电终端分布式保护控制功能以及ADA系统高级应用功能的要求。
(2)故障检测和自愈功能。智能配电终端从两个层面完成故障检测和自愈功能。第一,故障自愈与控制由ADA系统的高级应用功能完成,智能配电终端负责采集并提供测点的信息,执行来自ADA系统的保护和控制指令,智能配电终端只是信息的提供者和命令的执行者,不参与决策;第二,基于智能配电终端完成分布式的故障检测和自愈控制功能。基于本地信息和相邻智能配电终端的信息,独立做出故障检测和自愈控制决策并执行。此时智能配电终端既进行决策,又执行决策。故障自愈保护和控制措施包括故障检测与隔离、自适应重合闸、计划孤岛划分、孤岛检测、孤岛运行控制等。
(3)通信功能。通信功能将具体的实现需要映射到特定的工业标准数据通信协议上,实现终端与系统层、终端之间、终端与过程层的数据通信,通信模式包括主从式通信和对等式通信。主从式通信用于终端与ADA系统、终端与过程层之间,可以采用客户端/服务器的通信机制;对等通信用于终端与其他终端之间的信息交互,主要目的是完成分布式的故障检测和自愈控制功能。终端之间的对等通信可以采用订阅/发布机制。
(4)辅助功能。辅助功能主要包括终端参数配置、参数和定值整定、远方整定和就地整定、事件顺序记录(SOE)、故障录波、自检和自恢复、电源管理、电池可用状态监视、电池充电管理等辅助功能。
3 智能终端总体架构设计
图1
为了保证智能终端的互操作性,需要统一信息的表达。采用面向对象的技术,在终端的应用层中建立分层的对象模型,通过描述语言的配置,使物理设备中包含的逻辑设备和逻辑节点只提供保护需要的相应服务和数据操作,与保护实现的具体算法无关。
通信接口的一致性是保证终端互操作性的一个重要基础。终端硬件层中将各对象的对外接口抽象出来成为统一的抽象通信服务接口,与具体的通信协议分离,使终端在互操作时遵循相同的接口。
4 智能配电终端硬件设计
图2
图3
图3
智能配电终端整体物理架构布置示意图
Fig.3
Overall physical layout of intelligent power distribution terminal
4.1 主控核心设计
主控核心采用飞思卡尔的i.mx28芯片实现终端的通信管理功能。i.mx28芯片外围接口丰富,支持低功耗模式,在工业控制领域应用广泛,表现优异,满足现场严酷的现场环境稳定运行的要求。芯片采用ARM926EJ-S内核,主频最高可达到454MHz,并配置128MB DDR2内存和128MB Flash存储器。该芯片可使用Linux或Wince操作系统开发应用软件,系统的可扩展性高,功能强大,能够极大地丰富终端的各种高级应用。
4.2 交流量数据采集回路
交流量数据采集回路,通过引入互感器二次侧的交流模拟量,经过板级的隔离变压器、调理电路和低通滤波、多路开关,将模拟量变换为适合A-D采样芯片接收处理的模拟电信号,经过A-D采样芯片将模拟电信号转换为数字信号,发送至DSP芯片进行实时数据计算和分析。
交流量数据采集回路设计根据实际应用场合综合考虑,主要包括需要监视的交流通道数量和各通道的输入范围、前置低通滤波的参数、A-D转换的位数、输入范围和转换速度。
交流量数据采集的DSP芯片采用ADSP-BF518,该芯片支持浮点型数据运算,具体应用如图4所示。
图4
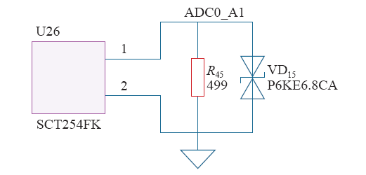
(1)采样与滤波电路。如图5所示,SCT254FK是一款精密电流互感器,输入额定电流为5A,额定输出电流为2.5mA;通过在电流互感器后端并联一个电阻,实现电流信号向电压信号的转换,将转换后的电压信号经过低通滤波电路送入A-D转换电路;图6所示SPT204A实际上是一款毫安级精密电流型电压互感器,输入额定电流为2mA,额定输出电流为2mA,同样在电压互感器的后端并联一个电阻,将电流信号转换为电压信号,经过滤波处理送至A-D转换电路。本设计中采用的电流互感器SCT254FK为测量用的电流互感器,而如果考虑故障检测的测量情况则需要选用测量与保护一体的互感器,如SCT266FK,该互感器能够在0~100A范围内保持良好的线性度,适用于对故障电流的检测和判别;低通滤波电路如图7所示。
图5
图5
电流互感器前端采样电路原理图
Fig.5
Principle circuit diagram of current transformer front-end sampling
图6
图6
电压互感器前端采样电路原理图
Fig.6
Principle circuit diagram of voltage transformer front-end sampling
图7
(2)A-D转换电路。经互感器和低通滤波电路处理的模拟电信号通过A-D转换电路成为可供芯片接收的数字电信号,为保证较高的测量精度,A-D转换芯片采用AD7606,该芯片是电荷再分配逐次逼近型模数转换器(ADC),可以对8个模拟输入通道进行同步采样。其模拟输入可以接受双极性输入信号,AD7606内置输入钳位保护,输入信号缩放放大器、二阶巴特沃兹滤波器、采样保持放大器、片内基准电压源、基准电压缓冲、高速ADC、数字滤波器以及高速并行和串行接口。而在设计中,面对多回路的模拟量采集,需配合多路模拟开关进行切换,实现分时采样的目的,具体电路如图8所示。
图8
(3)频率测量与自动跟踪电路。频率是反映电力系统稳定与电能质量的一个重要参数,是相量测量中一个最重要的参量,频率参数的实时数字测量一直是电力系统参数测量的重点和难点。由于电力系统的频率时刻都有微小的变化,精确地测频手段成为实时控制的重要组成部分。智能终端采用硬件测频法,通过将交流信号整形成方波,然后利用DSP计数器求得电网周期,从而获得频率的大小。这种方法的主要好处是精度高,程序实现简单、可靠。利用ADSP-BF518自带的频率捕捉接口和同步方波电路就可以轻松实现测频电路,如图9所示。
图9
智能终端所设计的同步方波变换电路主要由一阶无源滤波电路和过零比较电路组成。过零比较电路将正弦波输入信号转换为0~5V的同频率方波信号,然后经过分压和限幅,最后,方波信号被送入DSP芯片的TMR6捕捉模块。在捕捉模块的中断服务函数中,软件处理捕捉模块定时器的数据,计算电网的频率。若检测到电网频率有变化,则软件实时更改A-D采样频率,同步适应电网频率的变化,实现频率跟踪,可以保证采样计算的精度。
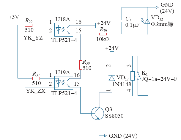
4.3 数字量输入/输出回路设计
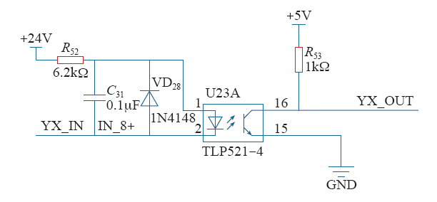
数字量输入信号主要为开关位置信号、弹簧储能信号、接地开关信号以及工作电源的失电信号等,设计数字量回路要充分考虑触点防抖问题。具体电路原理如图10所示,当外部开关状态量发生变位,遥信输入端YX_IN检测到低电平信号,TLP521的光敏二极管导通,内部晶体管接收到高电平,控制光敏晶体管导通,遥信输出端YX_OUT检测到低电平信号。通过DSP芯片的中断捕获功能进行遥信变位的检测和确认。
图10
数字量输出回路是终端的遥控执行接口,无论软件还是硬件都应考虑为顺序逻辑控制出口,以保证动作的可靠性。遥控输出还必须设计相应的反校回路,由于机械执行机构需要一定时间才能完成一次分或合操作,提供反校通道能保证在错误的遥控命令已发出的情况下,通过反校回路还能及时发现错误命令并立即闭锁遥控出口,避免事故发生。具体遥控回路原理如图11所示。
图11
4.4 电源设计
智能配电终端的工作电源一般取自线路电压互感器二次侧输出的220V交流电,通过电源充放电管理模块将该交流220V电压变换为直流24V供给站所终端,而板级芯片的工作电源一般是5V或是3.3V,因此还需要板级的DC-DC电源模块将24V直流电变换为芯片所需的5V或3.3V的工作电源。智能配电终端后备电源可选用蓄电池或超级电容,超级电容的优势在于免维护,充放电次数多,但其容量有效。蓄电池可以采用铅酸蓄电池,出于安全考虑,蓄电池电压等级选择24V,容量为12A·h。如果蓄电池处于长期未投入使用情况下,电源充放电模块利用自动活化功能,对蓄电池进行定时定周期自动充放电过程,以提高蓄电池的使用寿命。
5 软件设计
智能配电终端软件架构仍采用模块化分层设计,对应于终端的分层模块化的硬件功能单元及物理架构,并且采用分层模块化的设计可根据不同的配置加载相应的模块,尤其在通道规约、数据库类型等发生变化时程序很容易扩展。智能配电终端软件架构主要包括四个层次的设计,系统支撑层、基础功能层、管理维护层以及业务应用层,如图12所示。
图12
系统支撑层在硬件上包含了主控核心单元和供电单元,软件上主要由嵌入式Linux系统、SQLite数据库以及实时数据、消息库等组成,并通过加入各类设备驱动为应用程序模块以及未来的各种高级应用提供稳定的操作系统平台。采用SQLite数据库能够实现大量记录的快速排序、筛选等功能,并支持记录的快速频繁读写,以及对存储的各类数据和参数进行有效管理。在整个软件架构中采用共享内存等技术使得实时数据和参数常驻内存保证了对请求的快速响应。
基础功能层在硬件上主要包括了各个功能单元,如遥测采集、遥信、遥控以及通信管理等基本必备功能。智能配电终端在实际应用过程中可以根据现场的要求和条件扩展相应的功能单元,实现配置和差异化实施,提高终端建设的灵活性和可靠性。
管理维护层主要是基于主控核心控制单元和采集核心单元进行功能实现的,通过增加常用的维护手段能够提高后期终端的升级更新的可持续性。
业务应用层主要基于外部智能设备以及基础功能来实现终端的高级应用功能,能够极大地提升终端的技术竞争力,甚至向行业外拓展业务渠道。
软件系统采用基于共享内存以及消息队列等技术,通过SQLite数据库对运行终端的实时数据以及历史数据、事件记录等进行存储、读取和处理,利用Web技术实现终端参数的配置设定,具体流程如图13所示。
图13
6 智能配电终端工程项目实施标准化设计
智能配电终端通过线路及开关设备上安装互感器设备进行电气量的采集。采集中使用到的电压、电流互感器为多互感器一体化集成,并采用环氧树脂浇注的绝缘全封闭结构,即将传统分立安装的电压互感器和电流互感器集成组合在一起,内部电压采集由两台单相全绝缘电压互感器组成“V/V”型接线实现,而电流采集由三台电流互感器分别串接在A、B、C三相上实现,且采用测量、保护一体的电流互感器。在电流互感器的二次绕组上带有抽头可得到不同的电流变比,每个抽头上均装设牢固可靠的接线端子,端子上做防窃电处理。在数据采集过程中,一体化的互感器二次侧,只需要将引出的两路电压端子和三相电流端子通过航插电缆提供给智能配电终端进行数据采集即可,实现方案及接线如图14所示。
图14
图14
智能配电终端系统实施方案
Fig.14
System implementation plan of intelligent power distribution terminal
采用上述数据信息采集方法,利用组合式互感器,将互感器二次侧的电压、电流端子经过航插电缆连接到馈线终端的数据信息采集端子上,通过该方法极大地提升了配电自动化终端项目实施的标准化程度,有效降低了现场施工的难度,缩短了施工周期,节约了综合成本以及便于后期维护。
参考文献
基于IEC 61850标准的智能配电终端建模
[J].
Modeling of intelligent distribution terminal according to IEC 61850
[J].
智能配电网与配电自动化
[J].从智能配电网(SDG)与配电自动化(DA)的定义、功能与技术内容入手,分析了SDG与DA之间的联系。介绍了高级DA的基本概念及其关键技术。对中国高级DA的研发与应用工作提出了建议。
Smart distribution grid and distribution automation
[J].从智能配电网(SDG)与配电自动化(DA)的定义、功能与技术内容入手,分析了SDG与DA之间的联系。介绍了高级DA的基本概念及其关键技术。对中国高级DA的研发与应用工作提出了建议。
/
〈 |
|
〉 |
