Z源逆变器关键技术发展综述
董帅,张千帆,王睿,王好乐,程树康

Development of the Z-Source Inverters and Its Key Technologies: a Review
Dong Shuai,Zhang Qianfan,Wang Rui,Wang Haole,Cheng Shukang
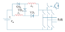
图5 L-Z源逆变器
Fig.5 L-Z-source inverter