Z源逆变器关键技术发展综述 |
| 董帅,张千帆,王睿,王好乐,程树康 |
|
Development of the Z-Source Inverters and Its Key Technologies: a Review |
| Dong Shuai,Zhang Qianfan,Wang Rui,Wang Haole,Cheng Shukang |
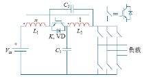
| 图13 双向耦合准Z源逆变器 |
| Fig.13 Bi-directional coupled quasi-Z-source inverter |
|