三相单级式LCL型逆变器光伏并网控制方法研究 |
李萍,张利,祁鲲 |
Research on PV Grid-Connected Control Methods of Single-Stage Three-Phase Inverter With LCL Filter |
Ping Zhang Li,Qi Kun Li,Kun Qi |
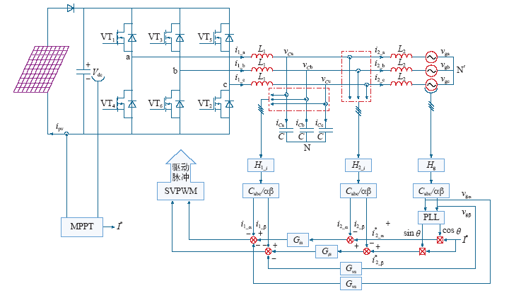
图2 三相单级式LCL 型逆变器光伏并网控制原理图 |
Fig.2 Diagram of PV grid-connected control principles of single-stage three-phase inverter with LCL filter |
![]() |