三相单级式LCL型逆变器光伏并网控制方法研究 |
李萍,张利,祁鲲 |
Research on PV Grid-Connected Control Methods of Single-Stage Three-Phase Inverter With LCL Filter |
Ping Zhang Li,Qi Kun Li,Kun Qi |
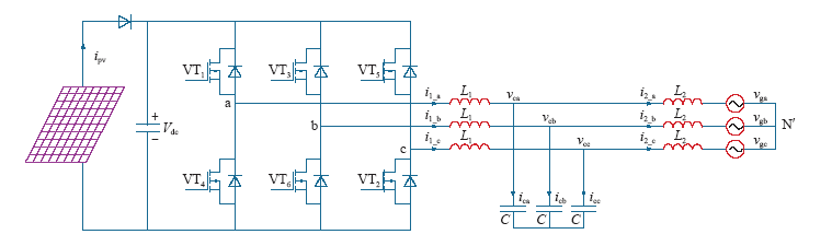
图1 三相单级式LCL 型光伏逆变器电路结构 |
Fig.1 Structure of single-stage PV three-phase inverter with LCL filter |
![]() |