基于电网电压前馈的三相LCL并网逆变器电流控制方法研究 |
陈姝慧,王红梅,陈新 |
Research on Current Control Scheme Based on Grid Voltage Feedforward for Three-Phase LCL-Type Grid-Connected Inverters |
Chen Shuhui,Wang Hongmei,Chen Xin |
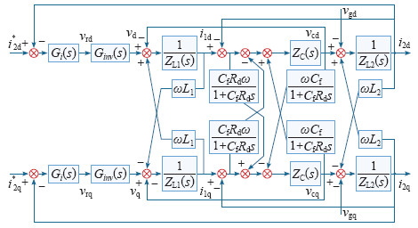
图2 dq坐标系下三相LCL并网逆变器控制框图 |
Fig.2 Control diagram of the three phase LCL-type grid-connected inverter with the d-q coordinate system |
![]() |