基于电网电压前馈的三相LCL并网逆变器电流控制方法研究 |
陈姝慧,王红梅,陈新 |
Research on Current Control Scheme Based on Grid Voltage Feedforward for Three-Phase LCL-Type Grid-Connected Inverters |
Chen Shuhui,Wang Hongmei,Chen Xin |
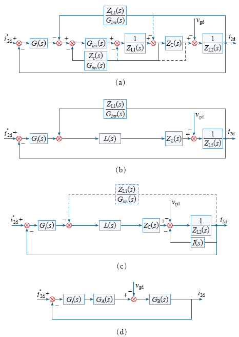
图4 d轴控制框图等效变化 |
Fig.4 The equivalent transition of the d-axis control diagam |
![]() |