MMC型STATCOM子模块电容电压的自适应优化平衡控制 |
邹积勇,黄秋燕,杨志,杨立军 |
Self-Adaptive Control of the Sub-Module Voltage for STATCOM Based on Modular Multilevel Converter |
Jiyong Zou,Qiuyan Huang,Zhi Yang,Lijun Yang |
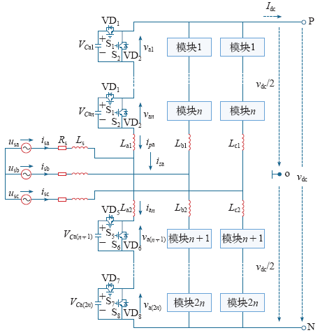
图1 三相MMC主电路拓扑示意图 |
Fig.1 Three phase MMC circuit topology diagram |
![]() |