基于遗传二自由度的永磁同步直线电机PID控制参数优化研究 |
| 盘真保,董菲,赵吉文,苏云升,李乐 |
|
Optimization Research of PMSLM PID Control Parameters Based on Genetic Two Degree of Freedom |
| Zhenbao Pan,Fei Dong,Jiwen Zhao,Yunsheng Su,Le Li |
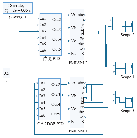
| 图8 基于遗传和传统算法的对比控制仿真模型 |
| Fig.8 Motor contrast control simulation model under genetic and traditional algorithm |
|