一种双负载VIENNA型整流器控制
翟丹丹,王久和,厍冬瑾

Control Study of a Double-Load VIENNA-Type Rectifier
Dandan Zhai,Jiuhe Wang,Dongjin She
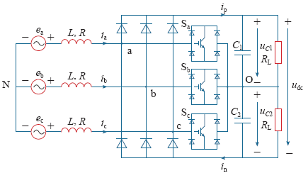
图1 双负载VIENNA型整流器主电路
Fig.1 The main circuit structure of double-load VIENNA-type rectifier