动态电容器复合控制策略及其谐振问题分析 |
| 戴子薇,陈新文,王欣,戴珂 |
|
Analysis of Resonance Problem and Integrated Control Strategy for Dynamic Capacitor |
| Ziwei Dai,Xinwen Chen,Xin Wang,Ke Dai |
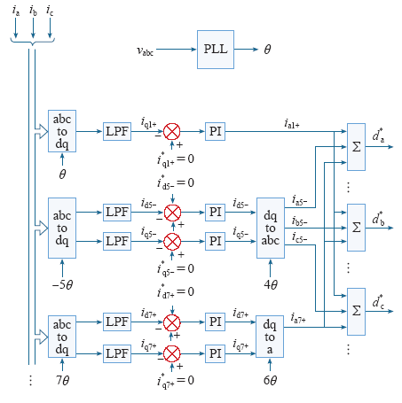
| 图4 三相D-CAP复合补偿控制框图 |
| Fig. 4 Control block diagram of three-phase D-CAP for VAR and harmonic integrated compensation |
|