基于FPGA的应急电源充电装置设计
樊冰剑,贾文超,王博,黄勇

Design of Emergency Power Supply Charger Based on Field-Programmable Gate Array
Bingjian Fan,Wenchao Jia,Bo Wang,Yong Huang
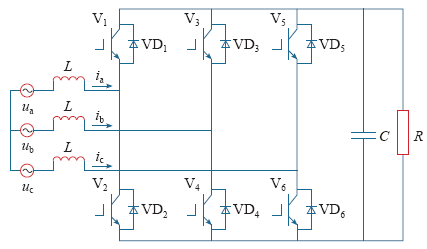
图1 三相PWM整流装置的拓扑结构
Fig.1 Three-phase PWM Rectifier topology