基于开关组误差电压的双级矩阵变换器故障诊断策略 |
| 邓文浪,黄斯瑶,郭有贵,刘和,余帅 |
|
Fault Diagnosis Strategy in Two-Stage Matrix Converter Based on Switch Group Error Voltage |
| Wenlang Deng,Siyao Huang,Yougui Guo,He Liu,shuai Yu |
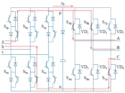
| 图4 idc>0整流级正常工作时电流流经途径 |
| Fig.4 idc>0, current path when rectifier stage under normal condition |
|