新型孤岛微网主从控制策略研究
杜志超,欧阳丽,周春,胡娟

Research on Novel Master-Slave Control Strategy of Islanded Microgrids
Du Zhichao,Ou yang Li,Zhou Chun,Hu Juan
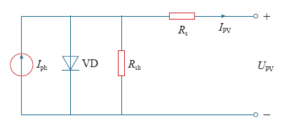
图2 光伏电池单二极管等效电路模型
Fig.2 Equivalent circuit of PV cell