新型孤岛微网主从控制策略研究
杜志超,欧阳丽,周春,胡娟

Research on Novel Master-Slave Control Strategy of Islanded Microgrids
Du Zhichao,Ou yang Li,Zhou Chun,Hu Juan
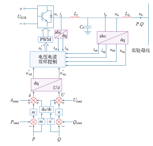
图9 下垂控制框图
Fig.9 Block diagram of droop control