变压器强油导向冷却方式的流体及传热分析
黄佐流

Transformer Strong Guidance Oil Fluid Flow and Heat Transfer Analysis
Zuoliu Huang
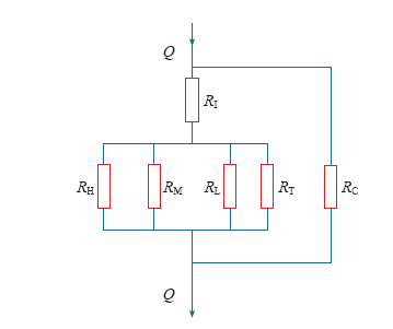
图5 变压器内部油流阻力简图
Fig.5 The diagram of oil flow resistance in transformer