比例积分与比例谐振对单相逆变器控制的研究与仿真 |
刘邓,刘军,陶忠正,李月凡 |
Proportional Integral and Proportional Resonant on the Research and Simulation of Single-Phase Inverter Control |
Liu Deng,Liu Jun,Tao Zhongzheng,Li Yuefan |
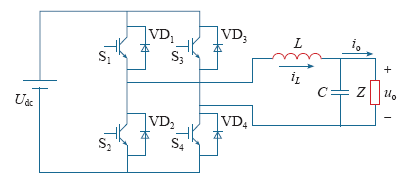
图1 单相逆变器系统的拓扑结构 |
Fig.1 The topology structure of single-phase inverter system |
![]() |